K-Line адаптер

О друзьях наших железных.

K-Line адаптер

Сообщение Toni » 20 янв 2013, 20:21

ra4ndu писал(а):Самое простое, чтобы посмотреть что там есть- это ICD (программа позволяет провести диагностику, сбросить коды, выставить СО, записать логи). То есть можно определить какой датчик "блошит", но вмешаться в калибровки не даст.Поковыряться в настройках неплохо Atomic Tune (работает по топливу) http://www.ecusystems.ru/content/atomic-soft или CTP 3.21


Эмм, судя по описанию эти проги только для наших тазиков подходят? Похоже что вариант не для моего Авео, у меня тип ЭБУ Sirius-D42.

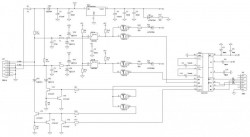
Сегодня подключил свой собранный к-лайн адаптер - работает. Стоимость деталей не превышает 100 рублей, печатку рисовал сам, выложу позже. Схема:
k-l-line.jpg
Схема адаптера

Взята отсюда
Программу использовал ChevroletExplorer v1.4. Ниже немного скриншотов.
Программа позволяет в реальном времени смотреть множество параметров и строить графики их изменения во времени в зависимости от режимов работы двигателя, читать и сбрасывать ошибки ЭБУ, читать идентификационные данные.
Вложения
Изображение 008.jpg
K-line адаптер с другой стороны, выглядит жутковато, но работает :), канифоль отмою позже.
Изображение 007.jpg
K-line адаптер
параметры_1.gif
Интересующие параметры можно выбирать и можно не смотреть все подряд.
параметры_2.gif
параметры_3.gif
ошибки_.gif
графики.png
графики2.png
графики3.png
Toni
Администратор
 
Сообщения: 972
Зарегистрирован: 20 ноя 2012, 20:38
Откуда: Киров
Благодарил (а): 290 раз.
Поблагодарили: 465 раз.
Позывной: RA4NHY
Оборудование: IC-7100, 5/8 27МГц, 4 эл 144
Баллы репутации: 56

Re: Чип тюнинг самостоятельно

Сообщение Toni » 21 янв 2013, 08:54

Печатка адаптера и схема в формате Eagle. Некоторые номиналы и ноги 74НС14 переназначены.
Вложения
KLLine.rar
(58.95 КБ) Скачиваний: 883
Toni
Администратор
 
Сообщения: 972
Зарегистрирован: 20 ноя 2012, 20:38
Откуда: Киров
Благодарил (а): 290 раз.
Поблагодарили: 465 раз.
Позывной: RA4NHY
Оборудование: IC-7100, 5/8 27МГц, 4 эл 144
Баллы репутации: 56

K Line адаптер

Сообщение Simonsed » 04 дек 2016, 16:32

кто может одолжить на денек K-line адаптер или продать? 89116143789 Илья
Simonsed
 
Сообщения: 1
Зарегистрирован: 23 авг 2016, 14:16
Благодарил (а): 0 раз.
Поблагодарили: 0 раз.
Баллы репутации: 0


Вернуться в Автомобили

Сейчас на конференции

Сейчас этот форум просматривают: нет зарегистрированных пользователей и гости: 3

cron
Яндекс.Метрика